电脑桌面
添加能源双碳资料库到电脑桌面
安装后可以在桌面快捷访问

附件2:线路杆塔预制微型桩基础典型方案VIP免费

附件2:线路杆塔预制微型桩基础典型方案_第1页
1/97
附件2:线路杆塔预制微型桩基础典型方案_第2页
2/97
附件2:线路杆塔预制微型桩基础典型方案_第3页
3/97
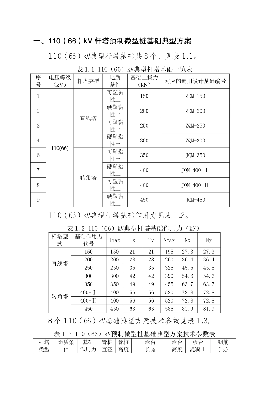
附件 2线路杆塔预制微型桩基础典型方案典型方案是根据试点工程基础施工图优化而来,优化后的典型基础包含单桩型预制微型桩基础和群桩型预制微型桩基础,涵盖 110(66)kV~500kV杆塔计算出现频率较高的基础下压力,详见优化试点工程典型基础图目录(如表 1 所示)。表 1 优化试点工程典型基础图目录序号电压等级(kV)杆塔类型地质条件上拔力设计值(kN)基础类型基础编号1110(66)直线塔可塑黏性土150单桩基础ZDM-1502硬塑黏性土200单桩基础ZDM-2003可塑黏性土250双桩基础ZQM-2504硬塑黏性土300双桩基础ZQM-3005转角塔可塑黏性土350四桩基础JQM-3506硬塑黏性土400四桩基础JQM-400-Ⅰ7可塑黏性土400五桩基础JQM-400-Ⅱ8硬塑黏性土450五桩基础JQM-4509220直线塔可塑黏性土500四桩基础ZQM-50010硬塑黏性土600四桩基础ZQM-600-Ⅰ11可塑黏性土600五桩基础ZQM-600-Ⅱ12硬塑黏性土700五桩基础ZQM-70013转角塔可塑黏性土500六桩基础JQM-50014硬塑黏性土600六桩基础JQM-60015可塑黏性土700八桩基础JQM-70016硬塑黏性土800八桩基础JQM-80017500直线塔可塑黏性土900八桩基础ZQM-90018硬塑黏性土1000八桩基础ZQM-1000-Ⅰ19可塑黏性土1000九桩基础ZQM-1000-Ⅱ20硬塑黏性土1100九桩基础ZQM-1100一、110(66)kV 杆塔预制微型桩基础典型方案110(66)kV典型杆塔基础共 8 个,见表 1.1。表 1.1 110(66)kV典型杆塔基础一览表序号电压等级(kV)杆塔类型地质条件基础上拔力(kN)对应的通用设计基础编号1110(66)直线塔可塑黏性土150ZDM-1502硬塑黏性土200ZDM-2003可塑黏性土250ZQM-2504硬塑黏性土300ZQM-3006转角塔可塑黏性土350JQM-3507硬塑黏性土400JQM-400-Ⅰ8可塑黏性土400JQM-400-Ⅱ9硬塑黏性土450JQM-450110(66)kV典型杆塔基础作用力见表 1.2。表 1.2 110(66)kV典型杆塔基础作用力(kN)杆塔型式基础作用力代号TmaxTxTyNmaxNxNy直线塔150150212119527.327.3200200282826036.436.4250250353532545.545.5300300424239054.654.6转角塔350350494945563.763.7400-Ⅰ400565652072.872.8400-Ⅱ400565652072.872.8450450636358581.981.98 个 110(66)kV基础典型方案技术参数见表 1.3。表 1.3 110(66)kV预制微型桩基础典型方案技术参数表杆塔类型地质条件基础作用力管桩直径管桩高度承台长宽承台高度承台混凝土钢筋(kg)(kN)(mm)(mm)(mm)(mm)(m3)直线塔可塑黏性土1502006400600×6006000.2225.68硬塑黏性土2002006400600×6006000.2225....

1、当您下载文档后,您只拥有了使用权限,并不意味着购买了版权,文档只能用于自身使用,不得用于其他商业用途(如 [转卖]进行直接盈利或[编辑后售卖]进行间接盈利)。
2、本站所有内容均由合作方或网友上传,本站不对文档的完整性、权威性及其观点立场正确性做任何保证或承诺!文档内容仅供研究参考,付费前请自行鉴别。
3、如文档内容存在违规,或者侵犯商业秘密、侵犯著作权等,请点击“违规举报”。

声明:本站为非经营盈利性个人网站(C2C模式),即所有资料为用户上传并直接被用户下载,本站只是中间服务平台。所有资料仅供个人学习使用,请勿他用。本站所获取的赞助将用于本站服务器及运营成本,感谢大家的支持。我们倡导共建、共创、共享的模式分享知识! 本站仅提供信息存储空间,仅对用户上传内容的表现方式做保护处理,对内容本身不做任何修改或编辑。若资料或所含内容侵犯了您的版权或隐私等任何权益,请立即通知联系客服或在资料页面直接举报反馈,我们会及时妥善处理。

客服微信:pv3515客服QQ:2090330665客服邮箱:2090330665@qq.com

若无法下载、资料侵权等问题联系客服立即处理!微信:pv3515

附件2:线路杆塔预制微型桩基础典型方案

确认删除?
回到顶部
微信客服
  • 管理员微信
QQ客服
  • QQ客服点击这里给我发消息
客服邮箱