电脑桌面
添加能源双碳资料库到电脑桌面
安装后可以在桌面快捷访问

吊装钢丝绳选型及计算VIP免费

吊装钢丝绳选型及计算_第1页
1/10
吊装钢丝绳选型及计算_第2页
2/10
吊装钢丝绳选型及计算_第3页
3/10
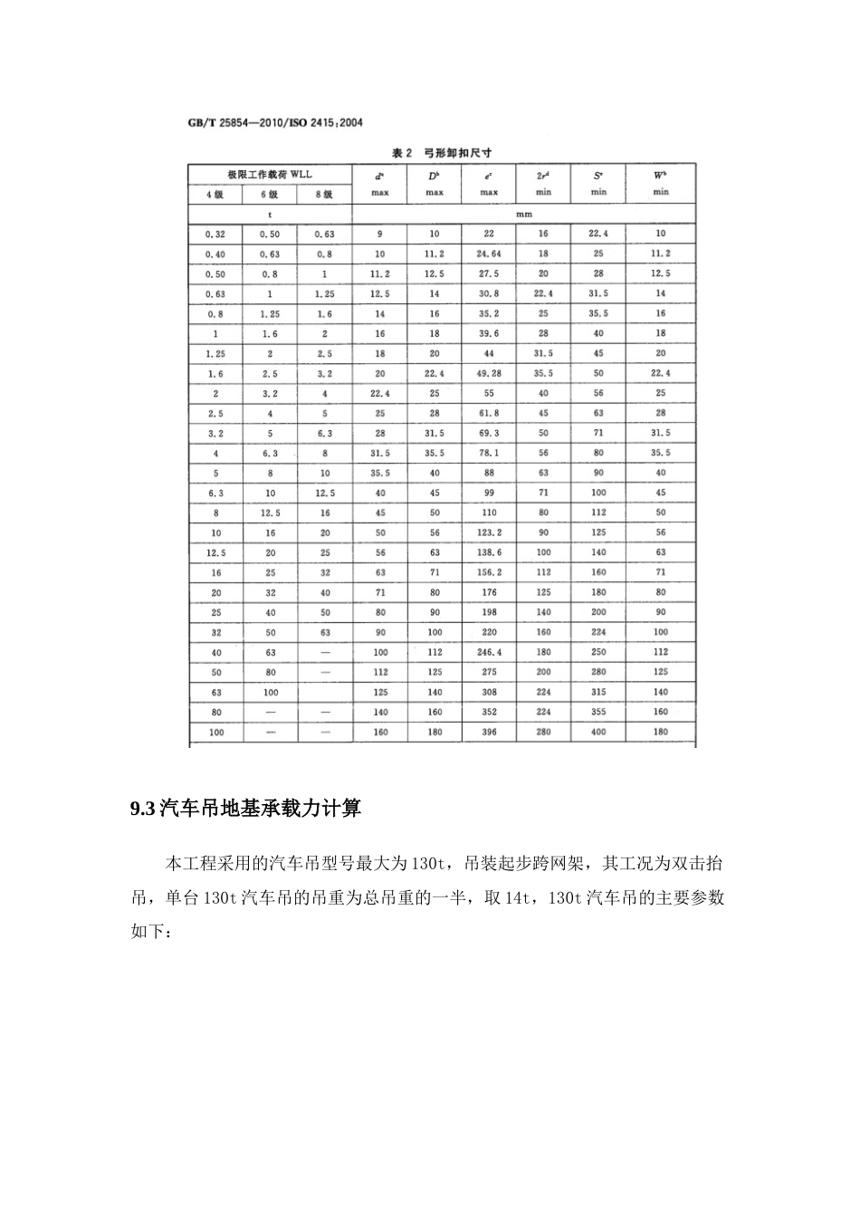
第 9 章计算书9.1 起步跨网架吊装钢丝绳选型及计算本工程起步跨网架重量 25.2t,采用 4 个吊点吊装,钢丝绳水平夹角不超过60°,均按 60°计算。单根钢丝绳的最大受力为P=25.2/(4×COS30°)=7.27t根据《重要用途钢丝绳》GB8918-2006 表 11,吊装钢丝绳选用 6×37S 型号,公称直径 Φ46mm,钢芯钢丝绳,公称抗拉强度为 1870MPa。如下表,钢丝绳破坏拉力总和为 1410KN。依据《建筑施工计算手册》12.3.1.3 节,钢丝绳容许拉力可按下式计算:其中: [Fg]──钢丝绳的容许拉力(kN); Fg──钢丝绳的钢丝破断拉力总和(kN);考虑钢丝绳之间荷载不均匀系数(分项系数),α=0.82; K──钢丝绳使用安全系数。《建筑施工起重吊装工程安全技术规范》JGJ276-2012 4.3.1 条 第 4 款,取 K=8 满足要求。[Fg]=0.82*1410/8=144KN由以上可知,钢丝绳许用拉力 144KN,大于吊装时实际最大拉力 139KN,选用 φ46mm 的钢丝绳满足要求。9.2 卸扣的选用 根据 GB25854-2010《一般起重用 D 型和弓形锻造卸扣》规范,选用弓形锻造卸扣,网架吊装时单根钢丝绳最大吊重为 13.9t,选用强度级别为 8 级的卸扣,起重量为 25t。钢柱、钢梁等重量相对较小的构件吊装时,采用 10t 卸扣。9.3 汽车吊地基承载力计算本工程采用的汽车吊型号最大为 130t,吊装起步跨网架,其工况为双击抬吊,单台 130t 汽车吊的吊重为总吊重的一半,取 14t,130t 汽车吊的主要参数如下:汽车吊起重臂旋转过程中,四个支腿的支腿反力处于变化状态,建立计算简图并根据力学平衡方程可得各个支腿反力的计算公式:N1=P/4 + [M(cosa/2B + sina/2L)]N2=P/4 + [M(cosa/2B - sina/2L)]N3=P/4 - [M(cosa/2B - sina/2L)]N3=P/4 - [M(cosa/2B + sina/2L)]式中:P ——汽车吊自重、配重及吊重之和,本项目为 54.8+50.2+14=119tM——吊物重量与作业半径形成的力矩,本项目为 14×12=168t.m。a——起重臂与车身夹角,取 0~90 度计算L——支腿纵向距离,本项目 130t 汽车吊为 8.4mB——支腿横向距离,本项目 130t 汽车吊为 7.9m利用 EXCEL 表格进行批量计算:角度 ɑL(m)B(m)P(t)M(t.m)N1(t)N2(t)N3(t)N4(t)备注08.47.911916840.3840.3819.1219.1218.47.911916840.5640.2119.2918.9428.47.911916840.7340.0319.4718.7738.47.911916840.8939.8419.6618.6148.47.911916841.0539.6619.8418.4558.47.911916841....

1、当您下载文档后,您只拥有了使用权限,并不意味着购买了版权,文档只能用于自身使用,不得用于其他商业用途(如 [转卖]进行直接盈利或[编辑后售卖]进行间接盈利)。
2、本站所有内容均由合作方或网友上传,本站不对文档的完整性、权威性及其观点立场正确性做任何保证或承诺!文档内容仅供研究参考,付费前请自行鉴别。
3、如文档内容存在违规,或者侵犯商业秘密、侵犯著作权等,请点击“违规举报”。

声明:本站为非经营盈利性个人网站(C2C模式),即所有资料为用户上传并直接被用户下载,本站只是中间服务平台。所有资料仅供个人学习使用,请勿他用。本站所获取的赞助将用于本站服务器及运营成本,感谢大家的支持。我们倡导共建、共创、共享的模式分享知识! 本站仅提供信息存储空间,仅对用户上传内容的表现方式做保护处理,对内容本身不做任何修改或编辑。若资料或所含内容侵犯了您的版权或隐私等任何权益,请立即通知联系客服或在资料页面直接举报反馈,我们会及时妥善处理。

客服微信:pv3515客服QQ:2090330665客服邮箱:2090330665@qq.com

若无法下载、资料侵权等问题联系客服立即处理!微信:pv3515

吊装钢丝绳选型及计算

确认删除?
回到顶部
微信客服
  • 管理员微信
QQ客服
  • QQ客服点击这里给我发消息
客服邮箱