电脑桌面
添加能源双碳资料库到电脑桌面
安装后可以在桌面快捷访问

线缆选择EXCEL表——国标51348版、江苏版、陕西版VIP免费

线缆选择EXCEL表——国标51348版、江苏版、陕西版_第1页
1/28
线缆选择EXCEL表——国标51348版、江苏版、陕西版_第2页
2/28
线缆选择EXCEL表——国标51348版、江苏版、陕西版_第3页
3/28
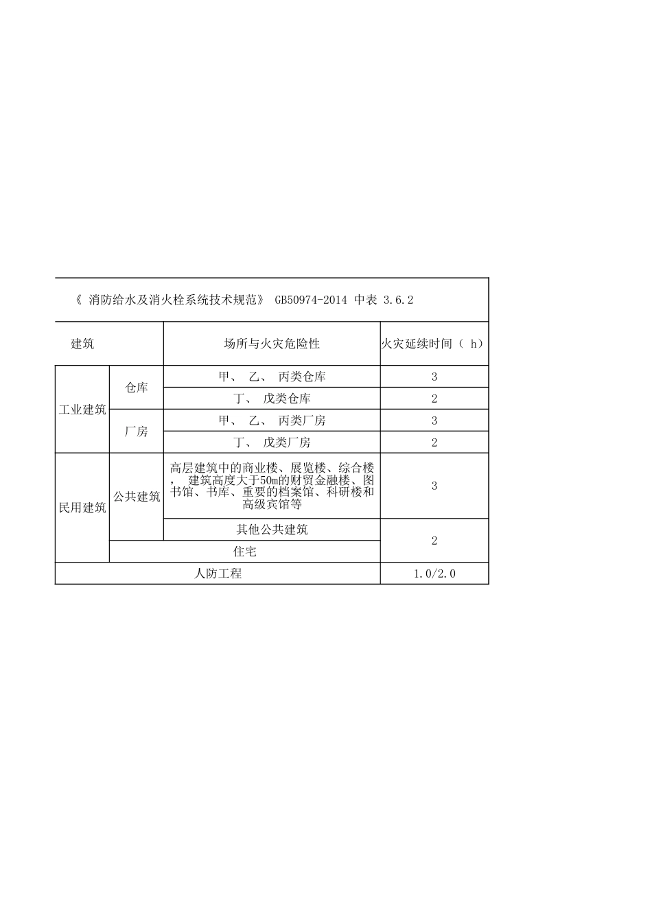
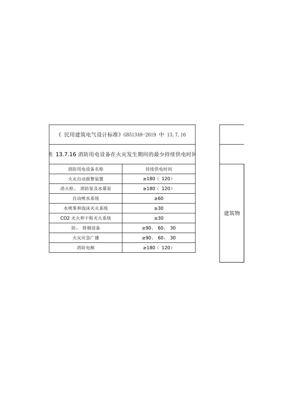
建筑消防用电设备名称持续供电时间建筑物火灾自动报警装置消火栓、 消防泵及水幕泵自动喷水系统≥60水喷雾和泡沫灭火系统≥30≥30防、 排烟设备火灾应急广播消防电梯《 民用建筑电气设计标准》GB51348-2019 中 13.7.16 《 消防给水及消火表 13.7.16 消防用电设备在火灾发生期间的最少持续供电时间≥180( 120)≥180( 120)CO2 灭火和干粉灭火系统≥90、 60、 30≥90、 60、 30≥180( 120)建筑场所与火灾危险性工业建筑仓库甲、 乙、 丙类仓库3丁、 戊类仓库2厂房甲、 乙、 丙类厂房3丁、 戊类厂房2民用建筑公共建筑3其他公共建筑2住宅人防工程1.0/2.0《 消防给水及消火栓系统技术规范》 GB50974-2014 中表 3.6.2 火灾延续时间( h)高层建筑中的商业楼、展览楼、综合楼, 建筑高度大于50m的财贸金融楼、图书馆、书库、重要的档案馆、科研楼和高级宾馆等适用情况超高层公共建筑除避难层明敷的线缆外避难层( 间)明敷的电线明敷的电缆其他建筑( 非人员密集的公共场所)除公众聚集场所外的各人员密集场所医院门诊楼和病房楼学校教学楼、 图书馆、 食堂和集体宿舍养老院、 福利院托儿所、 幼儿园公共图书馆阅览室公共展览馆、 博物馆展览厅宾馆、 饭店商场、 集贸市场体育场馆会堂公共娱乐场所电影院、 剧场、 录像厅、 礼堂等演出、 放映建筑高度不大于 100m的一类高层公共建筑金融建筑、 省级电力调度建筑、 省( 市) 级播电视、 电信建筑人员密集的公共场所除公共娱乐场所外的各公众聚集场所除公共娱乐场所外的各公众聚集场所客运车站候车室、 客运码头候船厅、 民用机场站楼( 包括类似场所)舞厅、 卡拉 OK 厅等歌舞娱乐场所公共娱乐场所具有娱乐功能的夜总会、 音乐茶座、 酒吧和餐游艺、 游乐场所保龄球馆、 旱冰场、 桑拿等娱乐、 健身、 休互联网上网服务营业场所地下建筑长期有人滞留除避难层外明敷的线路医院( 除门诊楼和病房楼)二级及以上医院二级以下医院教育建筑( 除教学楼、 图书馆、 食堂和集体宿舍)公共图书馆( 除阅览室)特大型、 大型博物馆成束敷设的线缆大中型、 中型及小型博物馆成束敷设的线缆具有二级耐火等级的交通建筑中成束敷设的线具有一级耐火等级的交通建筑中成束敷设的线金融建筑舞厅、 卡拉 OK 厅等歌舞娱乐场所建筑高度大于 27m 的高层住宅建筑二类高层及多层公共建筑( 除人员密集的公共场所)会展建筑(除展览厅)除直埋敷...

1、当您下载文档后,您只拥有了使用权限,并不意味着购买了版权,文档只能用于自身使用,不得用于其他商业用途(如 [转卖]进行直接盈利或[编辑后售卖]进行间接盈利)。
2、本站所有内容均由合作方或网友上传,本站不对文档的完整性、权威性及其观点立场正确性做任何保证或承诺!文档内容仅供研究参考,付费前请自行鉴别。
3、如文档内容存在违规,或者侵犯商业秘密、侵犯著作权等,请点击“违规举报”。

声明:本站为非经营盈利性个人网站(C2C模式),即所有资料为用户上传并直接被用户下载,本站只是中间服务平台。所有资料仅供个人学习使用,请勿他用。本站所获取的赞助将用于本站服务器及运营成本,感谢大家的支持。我们倡导共建、共创、共享的模式分享知识! 本站仅提供信息存储空间,仅对用户上传内容的表现方式做保护处理,对内容本身不做任何修改或编辑。若资料或所含内容侵犯了您的版权或隐私等任何权益,请立即通知联系客服或在资料页面直接举报反馈,我们会及时妥善处理。

客服微信:pv3515客服QQ:2090330665客服邮箱:2090330665@qq.com

若无法下载、资料侵权等问题联系客服立即处理!微信:pv3515

线缆选择EXCEL表——国标51348版、江苏版、陕西版

确认删除?
回到顶部
微信客服
  • 管理员微信
QQ客服
  • QQ客服点击这里给我发消息
客服邮箱