电脑桌面
添加能源双碳资料库到电脑桌面
安装后可以在桌面快捷访问

热稳定计算表格VIP免费

热稳定计算表格_第1页
1/5
热稳定计算表格_第2页
2/5
热稳定计算表格_第3页
3/5
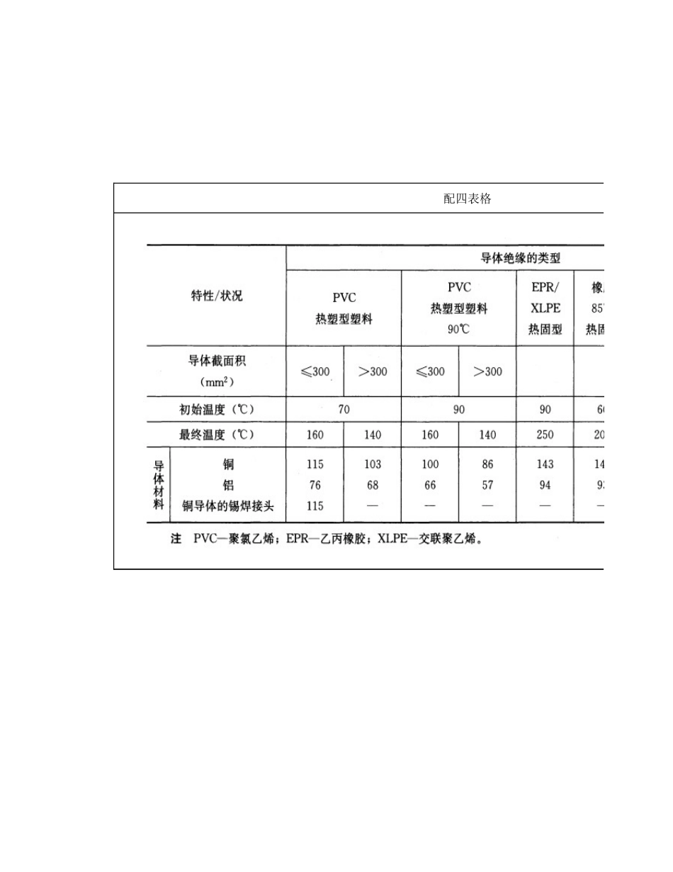
配四相关内容可参相关章节K143t0.2Iset2400Iset322800结果注1:绝缘电缆主要考核短路热稳定要求,对于母排则应考核热稳定和动稳定。允通能量A².S阶段一:【参照公式为变形而成,未列出】当【Iset2】<【短路电流】<【Iset3】时,则由短延时脱扣器切断;(1)其动作时间【t】为短延时脱扣器设定的时间,通常为0.1~0.4s,分几档供设计师选择,设计中是已确定的参数(ps:根据断路器有选择性动作要求确定)。(2)Ⅰ也不需要计算,取【Iset3】作为短延时脱扣器的最大电流,因为超过值的短路电流,将由瞬时脱扣器切断。截面最小为→71注意1:短延时结论参【断路器2022】表格注意2:本表格仅用于电缆电线,母排校验参【母排2022】表格大妈--仅作为自用知识梳理,详见《工业与民用配电手册第四版》《低压配电设计解析》,仅供交流。注意1表格并未设置筛选功能,个人推荐还是记住截面即可。断路器63A以上大概率可不考虑热稳定。注意2表格并未设置短路计算功能,故Iset3等的取值还需结合其他表格计算或者其他软件等设计得出。注意3结论性东西参表格 or【民用中2000以下变压器截面选择6~10问题不大,保险选10】(阶段配四相关内容可参相关章节阶段二:【参照公式为上述公式】查样本结果二者对比注1:绝缘电缆主要考核短路热稳定要求,对于母排则应考核热稳定和动稳定。导体特征参数,-参见表格1中数据或可自己计算当【短路电流】>【Iset3】时,则由瞬时脱扣器切断;(1)其动作时间【t】为瞬时脱扣器设定的时间,10~30ms,均小于0.1s。查表格-详见表1注意1:瞬时结论参【断路器2022】表格注意2:本表格仅用于电缆电线,母排校验参【母排2022】表格注意3:额定电流在63A及以上者,按载流量所选择的导体截面积,都能满足短路热稳定要求,再校验短路热稳定已无意义。大概率可不考虑热稳定。或者其他软件等设计得出。不大,保险选10】(阶段二结论)仅供参考具体根据高压侧短路容量、电压等级以及变压器容量等因素确定。配四表格SK=115K=1432.582656127806421160032718464761007361641013225002044900163385600523494425826562512780625351620062525050025经研究和计算,更大截面积可不必进行短路保护的校验。K=143127806327184736164204490052349441278062525050025可不必进行短路保护的

1、当您下载文档后,您只拥有了使用权限,并不意味着购买了版权,文档只能用于自身使用,不得用于其他商业用途(如 [转卖]进行直接盈利或[编辑后售卖]进行间接盈利)。
2、本站所有内容均由合作方或网友上传,本站不对文档的完整性、权威性及其观点立场正确性做任何保证或承诺!文档内容仅供研究参考,付费前请自行鉴别。
3、如文档内容存在违规,或者侵犯商业秘密、侵犯著作权等,请点击“违规举报”。

声明:本站为非经营盈利性个人网站(C2C模式),即所有资料为用户上传并直接被用户下载,本站只是中间服务平台。所有资料仅供个人学习使用,请勿他用。本站所获取的赞助将用于本站服务器及运营成本,感谢大家的支持。我们倡导共建、共创、共享的模式分享知识! 本站仅提供信息存储空间,仅对用户上传内容的表现方式做保护处理,对内容本身不做任何修改或编辑。若资料或所含内容侵犯了您的版权或隐私等任何权益,请立即通知联系客服或在资料页面直接举报反馈,我们会及时妥善处理。

客服微信:pv3515客服QQ:2090330665客服邮箱:2090330665@qq.com

若无法下载、资料侵权等问题联系客服立即处理!微信:pv3515

热稳定计算表格

确认删除?
回到顶部
微信客服
  • 管理员微信
QQ客服
  • QQ客服点击这里给我发消息
客服邮箱