电脑桌面
添加能源双碳资料库到电脑桌面
安装后可以在桌面快捷访问

施工现场安全设施标准化图集VIP免费

施工现场安全设施标准化图集_第1页
1/38
施工现场安全设施标准化图集_第2页
2/38
施工现场安全设施标准化图集_第3页
3/38
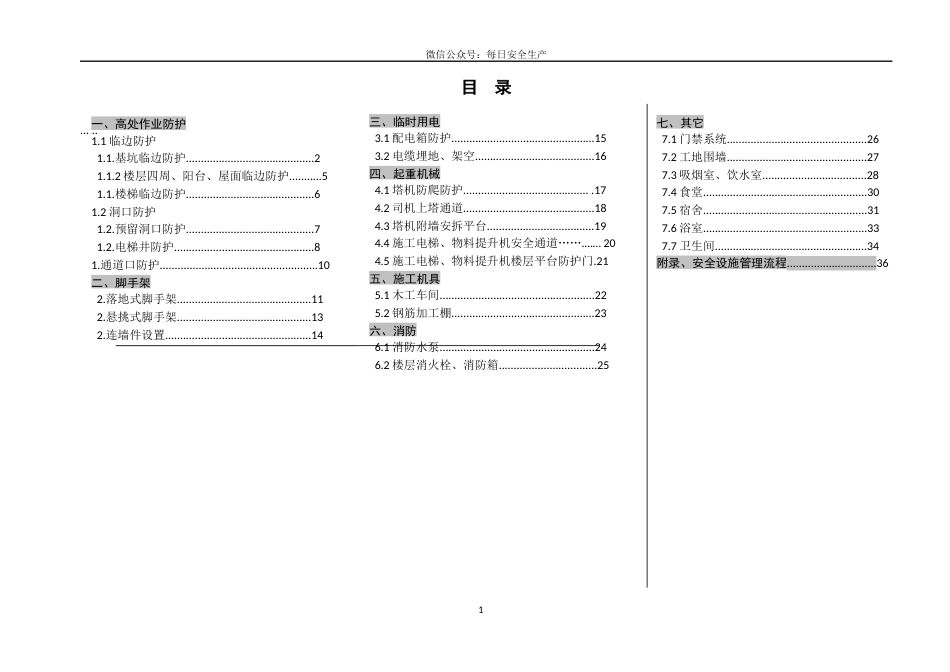
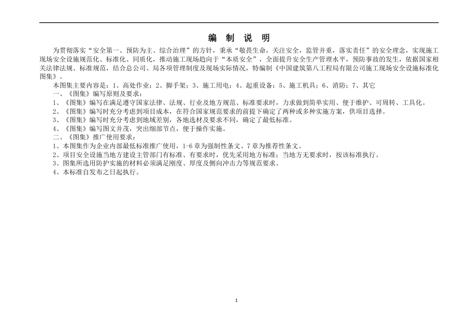
施工现场安全设施标准化图集1编 制 说 明为贯彻落实“安全第一、预防为主、综合治理”的方针,秉承“敬畏生命,关注安全,监管并重,落实责任”的安全理念,实现施工现场安全设施规范化、标准化、同质化,推动施工现场趋向于“本质安全”,全面提升安全生产管理水平,预防事故的发生,依据国家相关法律法规、标准规范,结合总公司、局各项管理制度及现场实际情况,特编制《中国建筑第八工程局有限公司施工现场安全设施标准化图集》。本图集主要内容是:1、高处作业;2、脚手架;3、施工用电;4、起重设备;5、施工机具;6、消防;7、其它一、《图集》编写原则及要求:1、《图集》编写在满足遵守国家法律、法规、行业及地方规范、标准要求时,力求做到简单实用、便于维护、可周转、工具化。2、《图集》编写时充分考虑到项目成本,在符合国家规范要求的前提下确定了两种或多种实施方案,供项目选择。3、《图集》编写时充分考虑到地域差别,各地选材及要求不同,确定了最低标准。4、《图集》编写图文并茂,突出细部节点,便于操作实施。二、《图集》推广使用要求:1、本图集作为企业内部最低标准推广使用,1-6 章为强制性条文、7 章为推荐性条文。2、项目安全设施当地方建设主管部门有标准、有要求时,优先采用地方标准;当地方无要求时,按该标准执行。3、图集所选用防护实施的材料必须满足刚度、厚度及侧向冲击力等规范要求。4、本标准自发布之日起执行。1一、高处作业防护1.1 临边防护 1.1.基坑临边防护...........................................2 1.1.2 楼层四周、阳台、屋面临边防护...........5 1.1.楼梯临边防护...........................................61.2 洞口防护 1.2.预留洞口防护...........................................7 1.2.电梯井防护...............................................81.通道口防护.....................................................10二、脚手架 2.落地式脚手架.............................................11 2.悬挑式脚手架.............................................13 2.连墙件设置.................................................14 微信公众号:每日安全生产目 录... ..三、临时用电 3.1 配电箱防护................................................15 3.2 电缆埋地、架空........................................16四、起重机械 4.1 塔机防爬防护........

1、当您下载文档后,您只拥有了使用权限,并不意味着购买了版权,文档只能用于自身使用,不得用于其他商业用途(如 [转卖]进行直接盈利或[编辑后售卖]进行间接盈利)。
2、本站所有内容均由合作方或网友上传,本站不对文档的完整性、权威性及其观点立场正确性做任何保证或承诺!文档内容仅供研究参考,付费前请自行鉴别。
3、如文档内容存在违规,或者侵犯商业秘密、侵犯著作权等,请点击“违规举报”。

声明:本站为非经营盈利性个人网站(C2C模式),即所有资料为用户上传并直接被用户下载,本站只是中间服务平台。所有资料仅供个人学习使用,请勿他用。本站所获取的赞助将用于本站服务器及运营成本,感谢大家的支持。我们倡导共建、共创、共享的模式分享知识! 本站仅提供信息存储空间,仅对用户上传内容的表现方式做保护处理,对内容本身不做任何修改或编辑。若资料或所含内容侵犯了您的版权或隐私等任何权益,请立即通知联系客服或在资料页面直接举报反馈,我们会及时妥善处理。

客服微信:pv3515客服QQ:2090330665客服邮箱:2090330665@qq.com

若无法下载、资料侵权等问题联系客服立即处理!微信:pv3515

施工现场安全设施标准化图集

确认删除?
回到顶部
微信客服
  • 管理员微信
QQ客服
  • QQ客服点击这里给我发消息
客服邮箱