电脑桌面
添加能源双碳资料库到电脑桌面
安装后可以在桌面快捷访问

光伏电缆桥架计算VIP免费

光伏电缆桥架计算_第1页
1/12
光伏电缆桥架计算_第2页
2/12
光伏电缆桥架计算_第3页
3/12
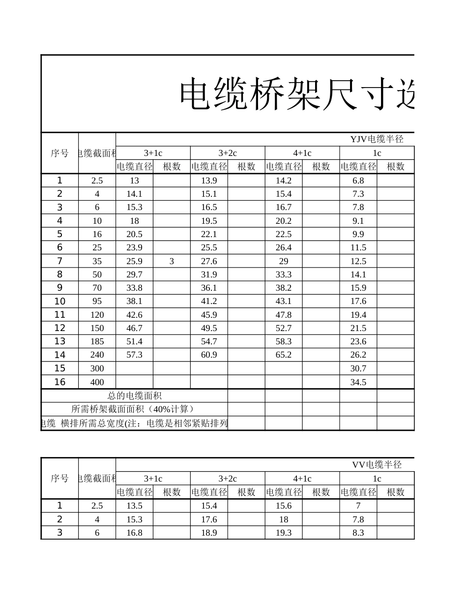
电缆桥架尺寸选型序号 电缆截面积3+1c3+2c4+1c1c电缆直径根数电缆直径根数电缆直径根数电缆直径根数12.51313.914.26.82414.115.115.47.33615.316.516.77.84101819.520.29.151620.522.122.59.962523.925.526.411.573525.9327.62912.585029.731.933.314.197033.836.138.215.9109538.141.243.117.61112042.645.947.819.41215046.749.552.721.51318551.454.758.323.61424057.360.965.226.21530030.71640034.5总的电缆面积序号 电缆截面积3+1c3+2c4+1c1c电缆直径根数电缆直径根数电缆直径根数电缆直径根数12.513.515.415.672415.317.6187.83616.818.919.38.3YJV电缆半径所需桥架截面面积(40%计算)电缆 横排所需总宽度(注:电缆是相邻紧贴排列)VV电缆半径41019.822.122.69.6516222424.510.462525.328.128.911.973527.130.831.512.985031.735.836.614.897035.440.241.116.610954145.446.718.61112044.749.350.520.21215048.554.856.122.51318553.760.361.724.51424059.867.569.427.21530032.11640035.7总的电缆面积所需桥架截面面积(40%计算)电缆 横排所需总宽度(注:电缆是相邻紧贴排列)寸选型计算表3c4c5c电缆直径根数电缆直径根数电缆直径根数12.313.314.40013.314.415.60014.415.6170017.218.720.90018.82122.90022.624.827.20024.827.230.11579.75877.728.431.534.90032.53639.90036.240.1450039.844.849.80044.95055.60049.65561.20055.261.568.50000001579.7583949.39477.73c4c5c电缆直径根数电缆直径根数电缆直径根数12.713.816.20014.615.918.60015.717.12000电缆半径各类电缆面积和各类电缆横排所需宽度电缆半径各类电缆面积和各类电缆横排所需宽度18.520.623.50020.522.425.50023.926.330.10026.328.9350030.133.438.40033.837.743.10038.543.148.90042.146.952.90046.851.958.80051.357.264.70057.564.172.7000000000

1、当您下载文档后,您只拥有了使用权限,并不意味着购买了版权,文档只能用于自身使用,不得用于其他商业用途(如 [转卖]进行直接盈利或[编辑后售卖]进行间接盈利)。
2、本站所有内容均由合作方或网友上传,本站不对文档的完整性、权威性及其观点立场正确性做任何保证或承诺!文档内容仅供研究参考,付费前请自行鉴别。
3、如文档内容存在违规,或者侵犯商业秘密、侵犯著作权等,请点击“违规举报”。

声明:本站为非经营盈利性个人网站(C2C模式),即所有资料为用户上传并直接被用户下载,本站只是中间服务平台。所有资料仅供个人学习使用,请勿他用。本站所获取的赞助将用于本站服务器及运营成本,感谢大家的支持。我们倡导共建、共创、共享的模式分享知识! 本站仅提供信息存储空间,仅对用户上传内容的表现方式做保护处理,对内容本身不做任何修改或编辑。若资料或所含内容侵犯了您的版权或隐私等任何权益,请立即通知联系客服或在资料页面直接举报反馈,我们会及时妥善处理。

客服微信:pv3515客服QQ:2090330665客服邮箱:2090330665@qq.com

若无法下载、资料侵权等问题联系客服立即处理!微信:pv3515

光伏电缆桥架计算

确认删除?
回到顶部
微信客服
  • 管理员微信
QQ客服
  • QQ客服点击这里给我发消息
客服邮箱