电脑桌面
添加能源电力资料库到电脑桌面
安装后可以在桌面快捷访问

电压降自动计算程序V5(实用版)VIP免费

电压降自动计算程序V5(实用版)_第1页
1/11
电压降自动计算程序V5(实用版)_第2页
2/11
电压降自动计算程序V5(实用版)_第3页
3/11
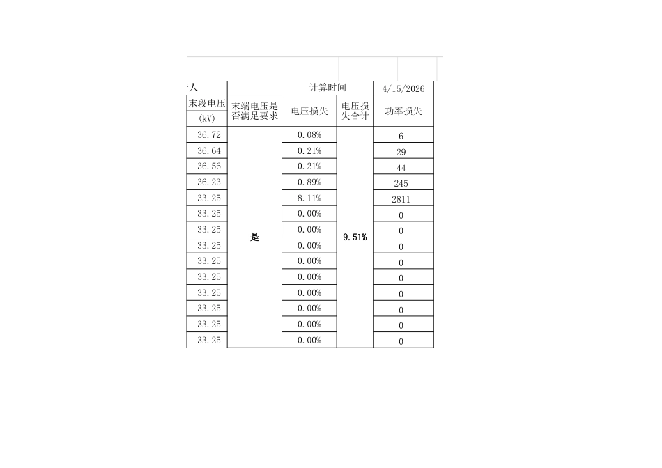
长度增大系数1设计人校核人审查人起始点终止点导线型号路径长度负荷电压等级 首段电压功率因数电流电阻电抗(km)(kW)(kV)(kV)(A)1#2#JL/G1A-150/200.667003536.750.98107.41 0.12 0.23 0.08%9.63%2#3#JL/G1A-150/200.751340036.72 215.00 0.16 0.29 0.21%3#4#JL/G1A-150/200.52010036.64 323.18 0.10 0.19 0.21%4#5#JL/G1A-300/402.52680036.56 431.83 0.25 0.96 0.90%5#升压站JL/G1A-300/40183350036.23 544.68 1.82 6.93 8.22%33.25 0.00 0.00 0.00 0.00%33.25 0.00 0.00 0.00 0.00%33.25 0.00 0.00 0.00 0.00%33.25 0.00 0.00 0.00 0.00%33.25 0.00 0.00 0.00 0.00%33.25 0.00 0.00 0.00 0.00%33.25 0.00 0.00 0.00 0.00%33.25 0.00 0.00 0.00 0.00%33.25 0.00 0.00 0.00 0.00%一小时电能损失3135.38电压降百分数总电压降百分数(欧)(欧)利用小时数660损耗小时数270电能损失(万度)84.6551电能损失百分数19.14%电费一年损失费用审查人计算时间4/15/2026末段电压电压损失功率损失(kV)36.72 是0.08%9.51%6 36.64 0.21%29 36.56 0.21%44 36.23 0.89%245 33.25 8.11%2811 33.25 0.00%0 33.25 0.00%0 33.25 0.00%0 33.25 0.00%0 33.25 0.00%0 33.25 0.00%0 33.25 0.00%0 33.25 0.00%0 33.25 0.00%0 末端电压是否满足要求电压损失合计电阻电抗JL/G1A-95/200.31710.3808JL/G1A-120/200.262080.3808JL/G1A-150/200.2080050.3808JL/G1A-150/250.20370.3808JL/G1A-150/350.206010.3808JL/G1A-185/250.1620150.3808JL/G1A-185/300.167160.3808JL/G1A-210/250.14490.3808JL/G1A-210/350.143220.3808JL/G1A-240/300.1240050.3808JL/G1A-240/400.1269450.3808JL/G1A-300/250.099120.3808JL/G1A-300/400.1009050.3849JL/G1A-400/250.0773850.3849JL/G1A-400/350.0775950.3849JL/LB20A-185/300.158340.3808JL/LB20A-240/300.1187550.3808JL/LB20A-300/250.096180.3849JL/LB20A-300/400.09671550.3849JL/LB20A-400/350.0120.2630.011552XJL/LB20A-240/300.05937750.26692XJL/LB20A-300/250.048090.27322XJL/LB20A-300/400.048357750.27324XJL/G1A-800/550.00920.2546单回路几何均距计算双回路几何均距计算-10.400010.40几何均距13.10 几何均距电阻电抗计算回路数单回路几何均距13.10 导线型号JL/G1A-800/55交流电阻0.0369 导线半径0.01920 导线等效半径0.01496 正序电...

1、当您下载文档后,您只拥有了使用权限,并不意味着购买了版权,文档只能用于自身使用,不得用于其他商业用途(如 [转卖]进行直接盈利或[编辑后售卖]进行间接盈利)。
2、本站所有内容均由合作方或网友上传,本站不对文档的完整性、权威性及其观点立场正确性做任何保证或承诺!文档内容仅供研究参考,付费前请自行鉴别。
3、如文档内容存在违规,或者侵犯商业秘密、侵犯著作权等,请点击“违规举报”。

声明:本站为非经营盈利性个人网站(C2C模式),即所有资料为用户上传并直接被用户下载,本站只是中间服务平台。所有资料仅供个人学习使用,请勿他用。本站所获取的赞助将用于本站服务器及运营成本,感谢大家的支持。我们倡导共建、共创、共享的模式分享知识! 本站仅提供信息存储空间,仅对用户上传内容的表现方式做保护处理,对内容本身不做任何修改或编辑。若资料或所含内容侵犯了您的版权或隐私等任何权益,请立即通知联系客服或在资料页面直接举报反馈,我们会及时妥善处理。

客服微信:pv3515客服QQ:2090330665客服邮箱:2090330665@qq.com

若无法下载、资料侵权等问题联系客服立即处理!微信:pv3515

电压降自动计算程序V5(实用版)

确认删除?
回到顶部
微信客服
  • 管理员微信
QQ客服
  • QQ客服点击这里给我发消息
客服邮箱
开通下载